構造

フジカ自動塩素供給装置 マルチフィーダー CAS-Ca
(次亜塩素酸カルシウム錠剤専用機)
|

フジカ自動塩素供給装置 マルチフィーダー CAS-Is
(イソシアヌル酸系顆粒剤専用機)
 |
(1)薬剤槽 (2)溶解槽 (3)注入ポンプ (4)自動残留塩素計 (5)カートリッジフィルター (6)溶解弁(Ca) (6)薬品供給モーター(Is)
(7)検水弁 (8)排水弁 (9)制御盤
▲ Go to page header
フロー図(Ca,Is共通)
▲ Go to page header
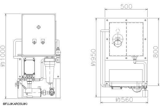
外形寸法図
▲ Go to page header
特長(Ca,Is共通)
【耐食性抜群】
本体、架台、制御盤をPVC(塩ビ板)で製作しているので耐食性は抜群です。
【スケルトン】
薬剤槽に透明塩ビ板を使用しているので薬剤の残量が一目瞭然です。
【塩素濃度を自動管理】
自動残留塩素計にて常時塩素濃度を計測しているので、残留塩素を一定に保つことが可能です。
【100V電源】
機械室内に100V電源があれば即時接続可能です。
100V電源が無くても、ろ過機制御盤から200V電源を分岐し、それを電源ボックスにつなげば使用可能です。
【操作簡単】
制御盤スイッチを自動に入れるだけで、自動運転が可能で非常に操作は簡単です。
【メンテナンス容易】
メンテナンスを簡単にするための設計をしているので、カートリッジ交換、ポンプ交換、配管交換も非常に簡単に行えます。
【タイマー式で供給も可能】
自動走残留塩素計を使用しないで塩素供給する場合は、タイマー式で供給するタイプも用意しています。
▲ Go to page header